找回密码
 立即注册

QQ登录

只需一步,快速开始

微信扫码登录

搜索
楼主: 3D小王

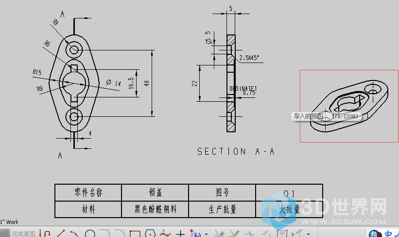
[建模] 每日一练:锁盖

 火... [复制链接]

0

主题

85

回帖

458

积分

二级士官

积分
458
发表于 2018-11-5 00:59:22 | 显示全部楼层
1-1-suogai.png

0

主题

11

回帖

63

积分

上等兵

积分
63
发表于 2018-11-6 10:45:47 | 显示全部楼层
好好学习
suogai.bmp

0

主题

4

回帖

60

积分

上等兵

积分
60
发表于 2018-11-7 20:29:19 | 显示全部楼层
支持支持支持。

0

主题

4

回帖

74

积分

上等兵

积分
74
发表于 2018-11-8 15:45:38 | 显示全部楼层
学习一下

1.prt

285.5 KB, 下载次数: 2, 下载积分: G币 -1

0

主题

23

回帖

416

积分

二级士官

积分
416
发表于 2018-11-17 16:15:26 | 显示全部楼层
本帖最后由 大地的 于 2018-11-17 16:16 编辑

C:\Users\Administrator\Documents\360截图
是我画法有误吗,为什么中间划线的地方去不了(新人求教)
锁盖.jpg

0

主题

192

回帖

2563

积分

少尉

积分
2563
发表于 2018-11-21 21:34:58 | 显示全部楼层
大神大神

0

主题

33

回帖

607

积分

三级士官

积分
607
发表于 2018-11-25 13:13:45 | 显示全部楼层
哈哈哈哈感谢

锁盖.prt

269 KB, 下载次数: 2, 下载积分: G币 -1

0

主题

19

回帖

286

积分

二级士官

积分
286
发表于 2018-11-25 18:21:08 | 显示全部楼层
看看我画的对不对{}

我画的

我画的

1

主题

17

回帖

618

积分

三级士官

积分
618
发表于 2018-11-26 00:21:14 | 显示全部楼层
交作业了

1

主题

17

回帖

618

积分

三级士官

积分
618
发表于 2018-11-26 00:23:17 | 显示全部楼层
66666666666

交作业了

交作业了
您需要登录后才可以回帖 登录 | 立即注册

本版积分规则

咨询QQ:1359218528|发帖须知!|Archiver|手机版|小黑屋|UG爱好者论坛 ( 京ICP备10217105号-2 )

GMT+8, 2025-12-19 15:21

Powered by Discuz! X3.5 Licensed

© 2001-2025 Discuz! Team.

快速回复 返回顶部 返回列表