找回密码
 立即注册

QQ登录

只需一步,快速开始

微信扫码登录

搜索
楼主: 螃蟹女神

[求助] ug制图感觉现在的我看不来剖视图,所以求解于大神画法

[复制链接]

7

主题

346

回帖

1万

积分

大校

积分
16695
发表于 2019-8-29 08:31:36 | 显示全部楼层
拿把刀从剖面线的位置一刀下去 然后注意观察方向 你就看出来了{:}

9

主题

90

回帖

1290

积分

六级士官

积分
1290
发表于 2019-8-29 10:13:12 | 显示全部楼层
多看,多想,熟能生巧。

6

主题

610

回帖

1万

积分

中校

积分
10211

论坛元老

发表于 2019-8-31 08:57:20 | 显示全部楼层
这有什么 我刚开始还看不来呢  多练习 多实践就行了

0

主题

36

回帖

262

积分

二级士官

积分
262
发表于 2019-8-31 16:20:05 | 显示全部楼层
加油 看你发了不少这样的帖子

0

主题

36

回帖

262

积分

二级士官

积分
262
发表于 2019-8-31 16:28:02 | 显示全部楼层
13516370114 发表于 2019-8-29 08:31
拿把刀从剖面线的位置一刀下去 然后注意观察方向 你就看出来了

说的对{:}可以拿橡皮之类的用小刀切着看看

4

主题

491

回帖

5703

积分

上尉

积分
5703
发表于 2019-8-31 17:29:33 | 显示全部楼层
多练习就行了  不要听他们说这个简单什么的   

19

主题

644

回帖

9147

积分

少校

积分
9147
发表于 2019-8-31 19:20:26 | 显示全部楼层
别听他们瞎BB  刚开始这都正常,能力是一点点锻炼出来的,刚开始看不出来没事你经常看经常练不好吗??非得几下就想这搞定?还来发个帖子着他们嘲讽

10

主题

407

回帖

2万

积分

少将

积分
22532
发表于 2019-8-31 20:17:39 | 显示全部楼层
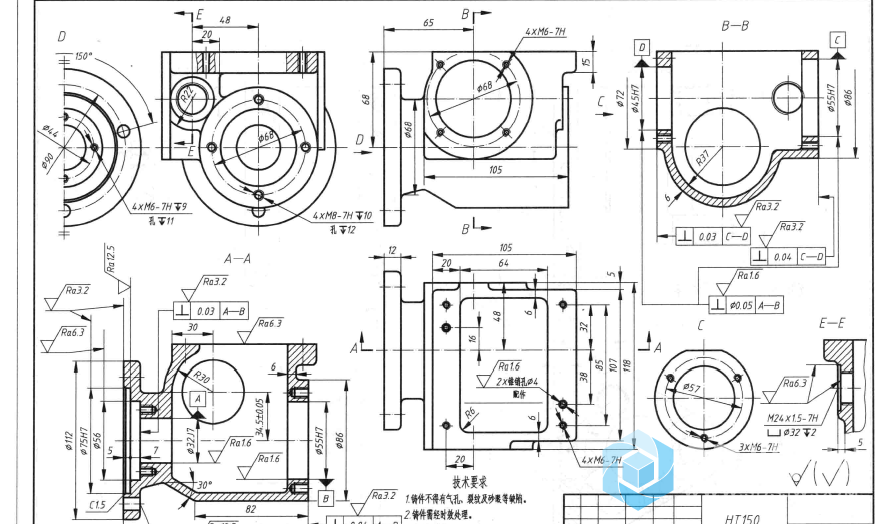
那这张图就得让你怀疑人生
从简单的模型开始多多练习 要不咋整
01.png

13

主题

804

回帖

1万

积分

中校

积分
11368

VIP会员

发表于 2019-8-31 20:30:25 | 显示全部楼层
看图片理解吧

希望这样更能理解

希望这样更能理解

7

主题

37

回帖

789

积分

四级士官

积分
789
 楼主| 发表于 2019-9-2 09:56:02 | 显示全部楼层
majingfeng001 发表于 2019-8-31 20:17
那这张图就得让你怀疑人生
从简单的模型开始多多练习 要不咋整

哎,真的很秀
您需要登录后才可以回帖 登录 | 立即注册

本版积分规则

咨询QQ:1359218528|发帖须知!|Archiver|手机版|小黑屋|UG爱好者论坛 ( 京ICP备10217105号-2 )

GMT+8, 2025-12-21 14:33

Powered by Discuz! X3.5 Licensed

© 2001-2025 Discuz! Team.

快速回复 返回顶部 返回列表