找回密码
 立即注册

QQ登录

只需一步,快速开始

微信扫码登录

搜索
查看: 3091|回复: 3

[分享] Inventor 高效建模 手压阀3

[复制链接]

6

主题

9

回帖

43

积分

列兵

积分
43
发表于 2016-9-27 14:48:13 | 显示全部楼层 |阅读模式
Inventor 高效建模 手压阀3
01.jpg
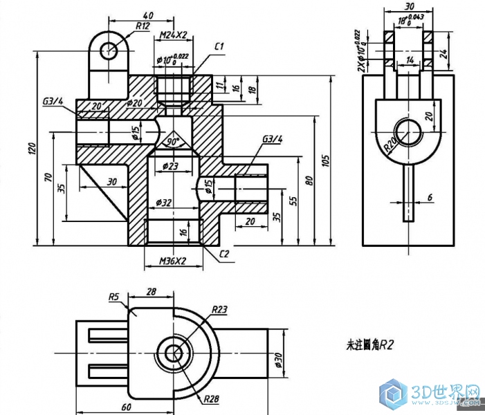
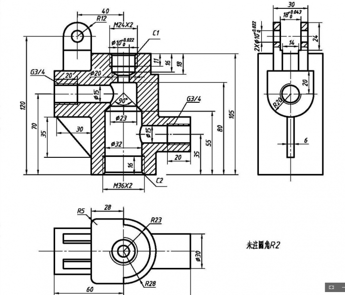
今天给大家讲一下阀体的建模,因为特征较多,所以这个件我会讲的很详细,从每一步命令的用法和技巧出发。教大家在较短的时间内完场建模。
02.jpg
Inventor草绘中槽命令是非常实用的,这个零件的建模中我们会用到多次。
03.jpg
04.jpg
05.jpg
这两步命令如果正确的使用默认坐标系会非常高效,包括下一步的对称拉伸
06.jpg
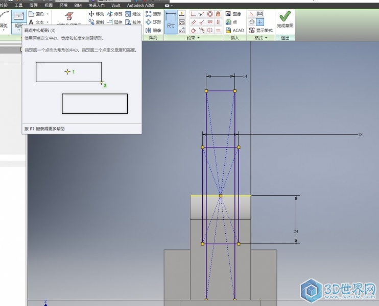
利用两点中心矩形快速完成对称图元的创建
07.jpg
拉伸到面除料
08.jpg
拉伸到面是一种非常有用的方式,可以生成到面的关系,在设计的后期修改中非常实用
09.jpg
Inventor的打孔命令十分实用,同时强大的标准件库中有比较全的螺纹标准,所以有时候活用孔命令作图会很高效
10.jpg
中间的部分可以旋转除料
11.jpg
不要忘记做筋板
12.jpg
我通常喜欢最后做倒角和圆角,我承认是比赛的时候这两项分低。。。。。但有时候提前做圆角参考会难受。
13.jpg
非常感谢大家阅读,下一个帖子我会给大家讲这套经典例题中的弹簧怎么驱动,以及简单的装配。

01.jpg

1

主题

62

回帖

35

积分

等待验证会员

积分
35
发表于 2016-9-27 22:28:53 | 显示全部楼层
方便是方便,感觉Inventor文件比较大

6

主题

9

回帖

43

积分

列兵

积分
43
 楼主| 发表于 2016-9-28 17:01:58 | 显示全部楼层
xuweihoo 发表于 2016-9-27 22:28
方便是方便,感觉Inventor文件比较大

对呀。。。感觉他吃一些配置了

2

主题

4

回帖

0

积分

列兵

积分
0
发表于 2016-10-8 08:40:12 | 显示全部楼层
赞,很好的东西
您需要登录后才可以回帖 登录 | 立即注册

本版积分规则

咨询QQ:1359218528|发帖须知!|Archiver|手机版|小黑屋|UG爱好者论坛 ( 京ICP备10217105号-2 )

GMT+8, 2025-12-22 11:29

Powered by Discuz! X3.5 Licensed

© 2001-2025 Discuz! Team.

快速回复 返回顶部 返回列表