找回密码
 立即注册

QQ登录

只需一步,快速开始

微信扫码登录

搜索
查看: 1735|回复: 2

[分享] 谁有没有绘制复杂箱体类零件的简易方法?

[复制链接]

2

主题

44

回帖

9

积分

列兵

积分
9
发表于 2012-9-21 19:59:09 | 显示全部楼层 |阅读模式
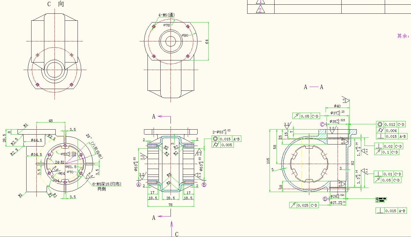
最近用proe绘制了几个箱体零件,但感觉自己的方法花的时间太长了,所以问下大家有没有绘制箱体类零件的简易方法!
B0@G9AOL7@2`TP_(724POPV.jpg

3

主题

90

回帖

0

积分

列兵

积分
0
发表于 2012-9-22 07:11:41 | 显示全部楼层
难道你想一步登天
您需要登录后才可以回帖 登录 | 立即注册

本版积分规则

咨询QQ:1359218528|发帖须知!|Archiver|手机版|小黑屋|UG爱好者论坛 ( 京ICP备10217105号-2 )

GMT+8, 2025-12-22 14:07

Powered by Discuz! X3.5 Licensed

© 2001-2025 Discuz! Team.

快速回复 返回顶部 返回列表