找回密码
 立即注册

QQ登录

只需一步,快速开始

微信扫码登录

搜索
楼主: 3D小王

[教程] 每日一练视频教程:48

 火.. [复制链接]

1

主题

199

回帖

2658

积分

爱好者VIP1

积分
2658

VIP会员论坛元老

发表于 2019-7-1 22:06:49 | 显示全部楼层
我要学习,谢谢

0

主题

47

回帖

279

积分

二级士官

积分
279
发表于 2019-9-26 14:19:19 | 显示全部楼层
谢谢楼主的分享
无标题.jpg

0

主题

23

回帖

452

积分

二级士官

积分
452
发表于 2021-10-4 14:34:38 | 显示全部楼层
提取码错误啊

0

主题

15

回帖

1172

积分

六级士官

积分
1172
发表于 2022-8-23 20:59:05 | 显示全部楼层
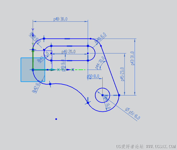
提取码还错误,并不是真的想看你的教程,而是R8与R9之间的R没有标数,图不能完全约束,扣了五个分,还下载不了。

2

主题

37

回帖

440

积分

二级士官

积分
440
发表于 2023-11-28 21:58:04 | 显示全部楼层
23标成25了

1

主题

45

回帖

402

积分

二级士官

积分
402
发表于 2024-2-1 09:30:04 | 显示全部楼层
每日一练
捕获3.PNG

0

主题

71

回帖

411

积分

二级士官

积分
411
发表于 2025-4-16 16:40:01 | 显示全部楼层
好好学习天天赚钱
1744792737700.jpg

0

主题

134

回帖

453

积分

二级士官

积分
453
发表于 2025-6-9 16:37:01 | 显示全部楼层
简单画了一下,结果发现还真有点难度
屏幕截图 2025-06-09 163614.jpg
您需要登录后才可以回帖 登录 | 立即注册

本版积分规则

咨询QQ:1359218528|发帖须知!|Archiver|手机版|小黑屋|UG爱好者论坛 ( 京ICP备10217105号-2 )

GMT+8, 2025-12-19 21:05

Powered by Discuz! X3.5 Licensed

© 2001-2025 Discuz! Team.

快速回复 返回顶部 返回列表