找回密码
 立即注册

QQ登录

只需一步,快速开始

微信扫码登录

搜索
查看: 19252|回复: 12

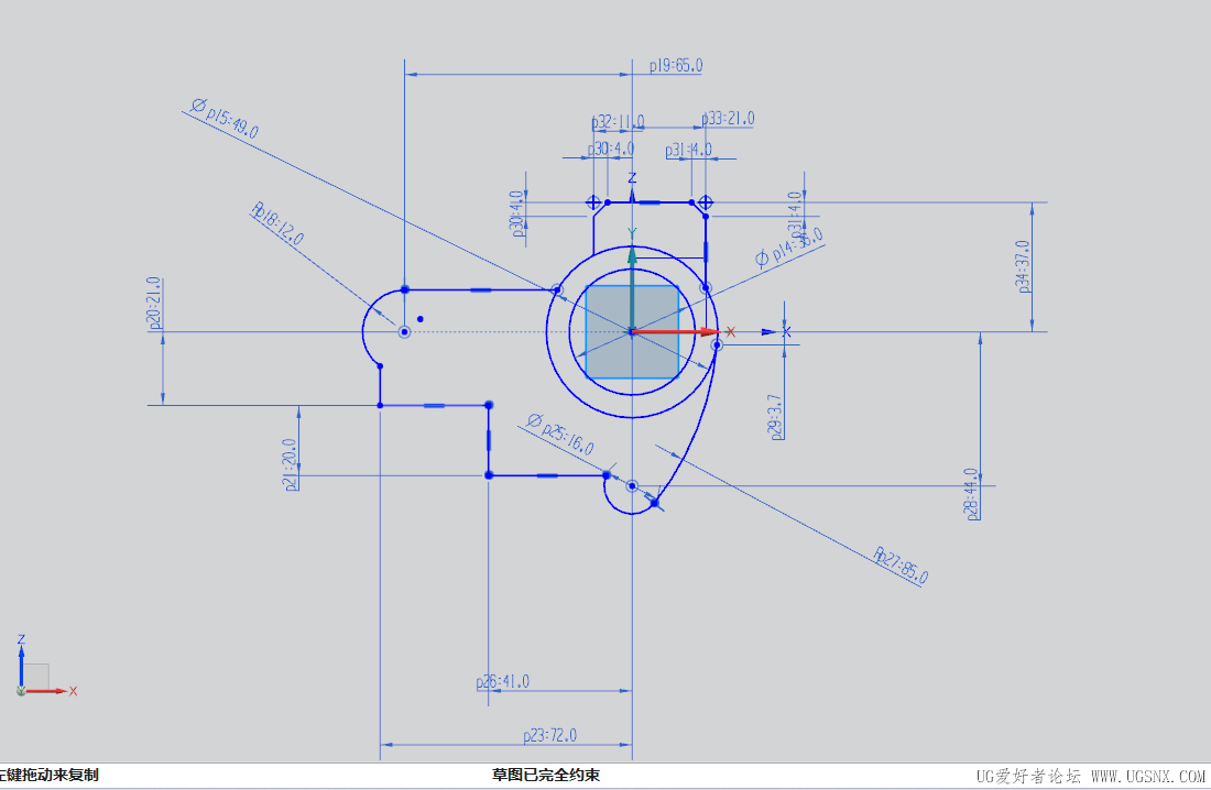
[视频教程] NX12.0教程-第15集 草图练习3

[复制链接]

47

主题

272

回帖

3171

积分

Administrator

积分
3171
发表于 2018-11-19 10:28:31 | 显示全部楼层 |阅读模式


密码:

  1. 85bo
复制代码


UG NX 12.0 入门到精通教程-大脸猫(免费可下载)
http://www.ugsnx.com/thread-216539-1-1.html
(出处: UG爱好者)

47

主题

272

回帖

3171

积分

Administrator

积分
3171
 楼主| 发表于 2018-11-19 10:28:46 | 显示全部楼层

拖出我的小沙发

0

主题

12

回帖

42

积分

列兵

积分
42
发表于 2025-10-15 15:57:57 | 显示全部楼层
努力学习
bb4f1d27acbad4f9d7b99f0ba48c611d.png

0

主题

149

回帖

906

积分

五级士官

积分
906
发表于 2025-3-10 16:10:15 | 显示全部楼层
学习一下。

0

主题

649

回帖

2673

积分

少尉

积分
2673
发表于 2025-3-8 21:05:48 | 显示全部楼层
谢谢楼主分享

0

主题

15

回帖

93

积分

上等兵

积分
93
发表于 2019-7-10 13:21:47 | 显示全部楼层
猫姐姐您好  请教下 约束尺寸的时候有什么先后步骤么 ??我看你约束尺寸都很简单一样 都没有过约束  我的一直过约束  这个问题一直没折腾明白!!求解答  求解答  谢谢

0

主题

242

回帖

444

积分

二级士官

积分
444
发表于 2019-6-22 16:17:42 | 显示全部楼层
谢谢分享

2

主题

44

回帖

535

积分

三级士官

积分
535
发表于 2019-3-29 22:13:20 | 显示全部楼层
看完视频折腾了很久,始终有1个已被约束,后来发现是相切,当时画图的时候没有注意。
交作业啦!!!请大脸猫老师批改!{:smile:}

第15集草图练习3.prt

148.67 KB, 下载次数: 13, 下载积分: G币 -1

0

主题

45

回帖

114

积分

上等兵

积分
114
发表于 2019-2-17 11:15:02 | 显示全部楼层
xxxxxxxxxxxxxxxx

0

主题

47

回帖

376

积分

二级士官

积分
376
发表于 2018-12-25 16:18:18 | 显示全部楼层
谢谢发布,十分感谢{:smile:}

14

主题

403

回帖

4265

积分

中尉

积分
4265
发表于 2018-12-1 17:53:28 | 显示全部楼层
多谢楼主分享


我以前是几种软件混用的
不会Ug草图,这个教程很好,恶补一下UG草图
您需要登录后才可以回帖 登录 | 立即注册

本版积分规则

咨询QQ:1359218528|发帖须知!|Archiver|手机版|小黑屋|UG爱好者论坛 ( 京ICP备10217105号-2 )

GMT+8, 2025-11-3 04:09

Powered by Discuz! X3.5

© 2001-2025 Discuz! Team.

快速回复 返回顶部 返回列表