找回密码
 立即注册

QQ登录

只需一步,快速开始

微信扫码登录

搜索
查看: 3561|回复: 30

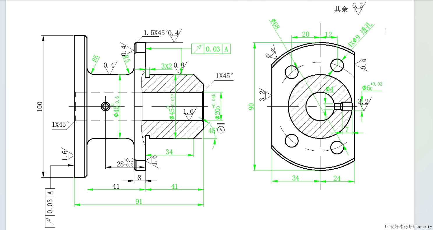
[求助] 求助这个毕业设计

[复制链接]

4

主题

11

回帖

229

积分

一级士官

积分
229
发表于 2023-12-2 23:41:10 | 显示全部楼层 |阅读模式
求助一下这个文件如何用UG画出来

2法兰盘数控加工.rar (177.66 KB, 下载次数: 18)
1.png

15

主题

439

回帖

3982

积分

中尉

积分
3982
发表于 2023-12-5 09:36:46 | 显示全部楼层
这是图纸有问题,右视图应该是一个剖视图。但没有在左面的视图显示出具体刨切的位置。

3

主题

78

回帖

2441

积分

少尉

积分
2441
发表于 2023-12-3 10:41:22 | 显示全部楼层

回帖奖励 +2 G币

底部是块还是圆不确定。缺少已知条件

6

主题

137

回帖

5850

积分

上尉

积分
5850
发表于 2023-12-3 10:56:31 | 显示全部楼层

回帖奖励 +2 G币

旋转,拉伸

4

主题

11

回帖

229

积分

一级士官

积分
229
 楼主| 发表于 2023-12-3 11:39:33 | 显示全部楼层
qiujianhua1014 发表于 2023-12-3 10:41
底部是块还是圆不确定。缺少已知条件

只有这一个图纸 其他的都没了

3

主题

21

回帖

746

积分

四级士官

积分
746
发表于 2023-12-3 12:03:16 | 显示全部楼层

回帖奖励 +2 G币

本帖最后由 UG特特 于 2023-12-3 12:05 编辑

简单拉伸旋转修键
8f50bab37bb458f690743c36cda6385.png

5

主题

108

回帖

4522

积分

中尉

积分
4522
发表于 2023-12-3 13:32:59 | 显示全部楼层

回帖奖励 +2 G币

啥专业呀  这么轻松
1701576004009.jpg
1701575579752.jpg

3

主题

21

回帖

746

积分

四级士官

积分
746
发表于 2023-12-3 13:43:55 | 显示全部楼层
663407 发表于 2023-12-3 13:32
啥专业呀  这么轻松

刚接触你能说轻松就佩服你

31

主题

394

回帖

2435

积分

少尉

积分
2435
发表于 2023-12-3 13:44:37 | 显示全部楼层

回帖奖励 +2 G币

底部应该是个方块,标注尺寸100没有标注直径或者半径

4

主题

11

回帖

229

积分

一级士官

积分
229
 楼主| 发表于 2023-12-3 15:10:34 | 显示全部楼层
663407 发表于 2023-12-3 13:32
啥专业呀  这么轻松

数控技术

13

主题

263

回帖

5164

积分

上尉

积分
5164
发表于 2023-12-3 16:42:41 | 显示全部楼层
回转{:smile:}
您需要登录后才可以回帖 登录 | 立即注册

本版积分规则

咨询QQ:1359218528|发帖须知!|Archiver|手机版|小黑屋|UG爱好者论坛 ( 京ICP备10217105号-2 )

GMT+8, 2025-12-17 11:02

Powered by Discuz! X3.5 Licensed

© 2001-2025 Discuz! Team.

快速回复 返回顶部 返回列表