找回密码
 立即注册

QQ登录

只需一步,快速开始

微信扫码登录

搜索
查看: 1221|回复: 6

[求助] 大佬们,这个怎么画啊

[复制链接]

3

主题

170

回帖

6887

积分

上尉

积分
6887
发表于 2024-4-9 09:12:21 | 显示全部楼层 |阅读模式
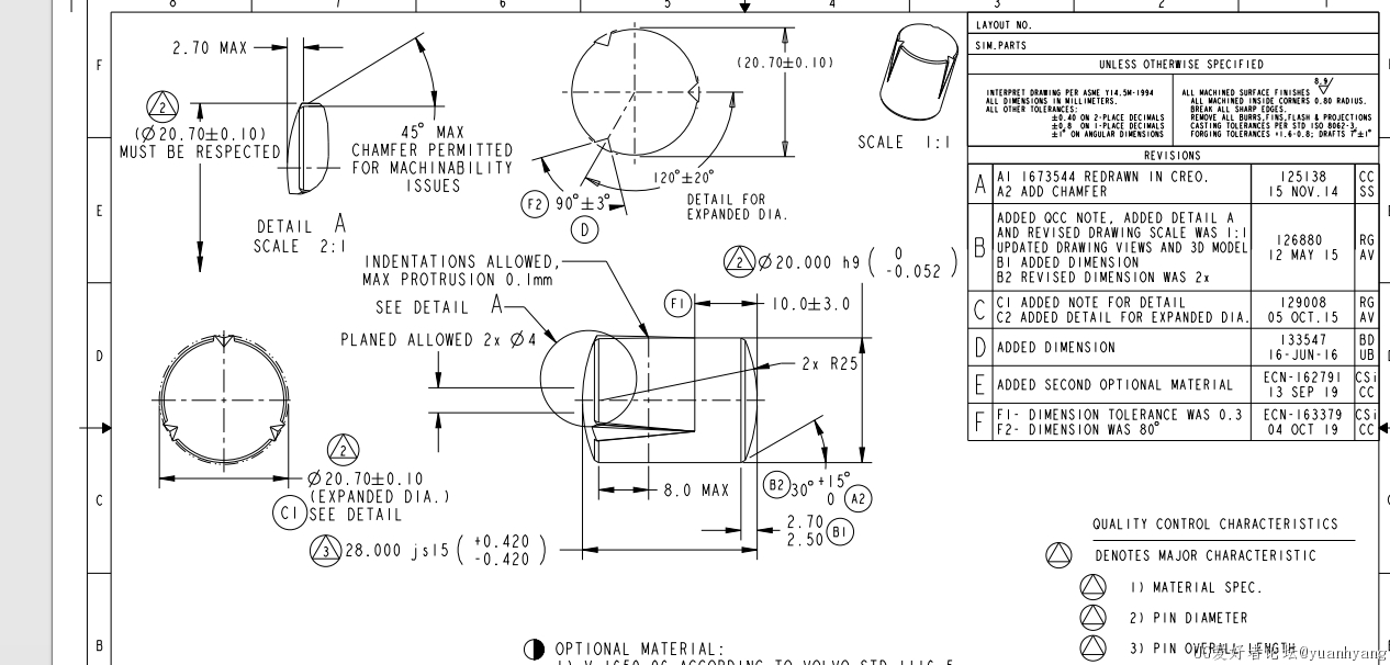
大佬们,这个怎么画啊。可以给交一下方法吗。谢谢大佬们
微信截图_20240409091143.png

3

主题

41

回帖

605

积分

三级士官

积分
605
发表于 2024-4-9 14:47:10 | 显示全部楼层
这么简单还不会画?

0

主题

3

回帖

33

积分

列兵

积分
33
发表于 2024-4-9 09:45:50 | 显示全部楼层
圆柱体出来后,用3D曲线勾勒菱形,再将3D曲线生成体,与圆柱体相减。(个人绘制方式,不知道可不可以帮助到你)

0

主题

3

回帖

33

积分

列兵

积分
33
发表于 2024-4-9 09:47:34 | 显示全部楼层
生成圆柱体后,用3D曲线勾勒菱形,然后将3D曲线生成体,与圆柱体相减。(个人绘制方式,希望可以帮助到你,期待其他人的绘制方式一起探讨)

1

主题

412

回帖

2997

积分

少尉

积分
2997
发表于 2024-7-16 17:38:31 | 显示全部楼层
三角型扫掠,咻~就好了

0

主题

5

回帖

124

积分

上等兵

积分
124
发表于 2024-7-17 13:34:12 | 显示全部楼层
按照加工思路来画

0

主题

54

回帖

1052

积分

六级士官

积分
1052
发表于 2024-7-17 14:37:21 | 显示全部楼层
晚上回去试试看
您需要登录后才可以回帖 登录 | 立即注册

本版积分规则

咨询QQ:1359218528|发帖须知!|Archiver|手机版|小黑屋|UG爱好者论坛 ( 京ICP备10217105号-2 )

GMT+8, 2026-3-13 01:38

Powered by Discuz! X3.5 Licensed

© 2001-2025 Discuz! Team.

快速回复 返回顶部 返回列表