找回密码
 立即注册

QQ登录

只需一步,快速开始

微信扫码登录

搜索
查看: 953|回复: 4

[分享] 8张壳类建模练习图

[复制链接]

4

主题

17

回帖

443

积分

二级士官

积分
443
发表于 2024-7-13 10:53:52 | 显示全部楼层 |阅读模式
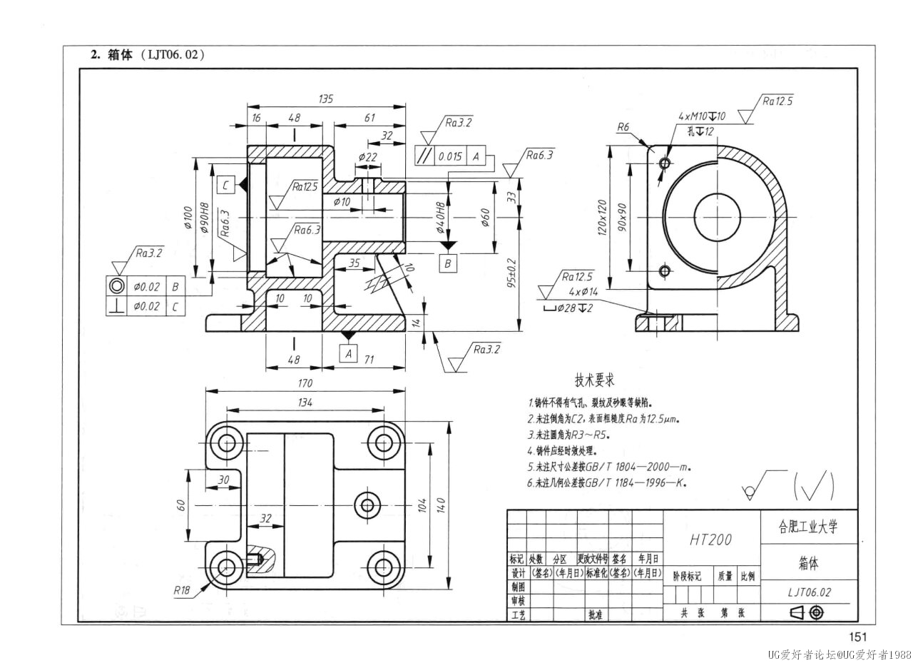
图片太大了本人级别低先传四张同志们可以练习练习,我也有画好的PRT
1_proc.jpg
2_proc.jpg
3_proc.jpg
4_proc.jpg

2

主题

223

回帖

8581

积分

少校

积分
8581
发表于 2024-7-13 11:07:29 | 显示全部楼层
你好,可以发个8张的连接地址吗

4

主题

17

回帖

443

积分

二级士官

积分
443
 楼主| 发表于 2024-7-13 15:36:47 | 显示全部楼层
zf6666 发表于 2024-7-13 11:07
你好,可以发个8张的连接地址吗

什么连接地址

2

主题

223

回帖

8581

积分

少校

积分
8581
发表于 2024-7-14 10:57:29 | 显示全部楼层
百度网盘或夸克网盘链接

2

主题

223

回帖

8581

积分

少校

积分
8581
发表于 2024-9-9 16:44:51 | 显示全部楼层
谢谢,
您需要登录后才可以回帖 登录 | 立即注册

本版积分规则

咨询QQ:1359218528|发帖须知!|Archiver|手机版|小黑屋|UG爱好者论坛 ( 京ICP备10217105号-2 )

GMT+8, 2025-12-16 21:13

Powered by Discuz! X3.5 Licensed

© 2001-2025 Discuz! Team.

快速回复 返回顶部 返回列表