找回密码
 立即注册

QQ登录

只需一步,快速开始

微信扫码登录

搜索
查看: 716|回复: 8

分享一套双水平蒸汽机建模图纸

[复制链接]

2610

主题

1104

回帖

2万

积分

中将

积分
27047
发表于 2025-11-22 09:32:18 | 显示全部楼层 |阅读模式
双水平蒸汽机.rar (452 Bytes, 下载次数: 15) 带通用格式模型

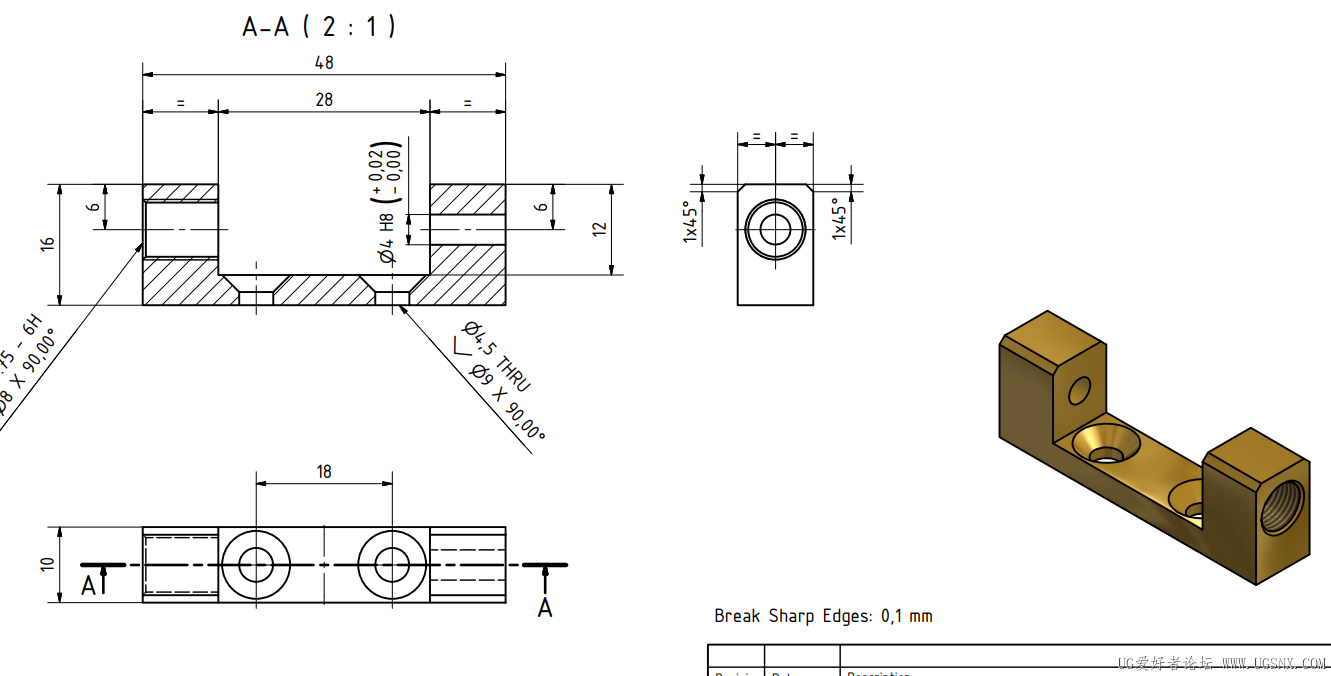
1.png
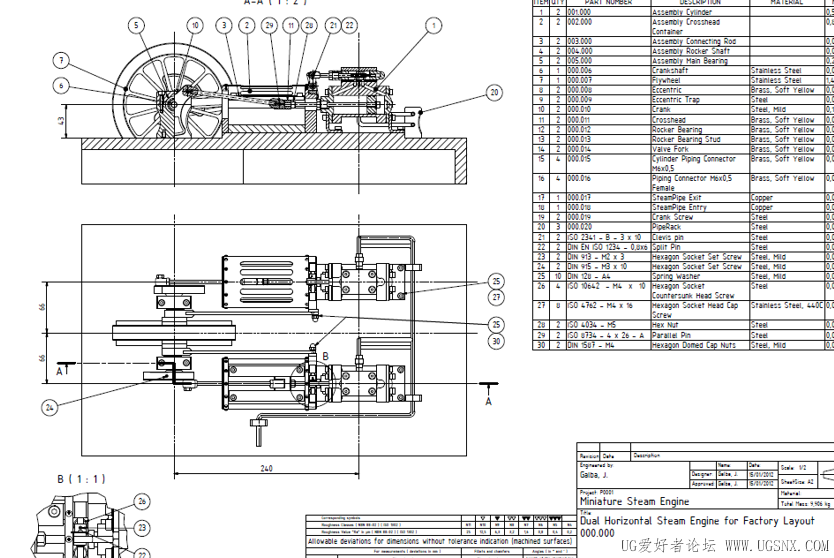
2.png
3.png
4.png

7

主题

154

回帖

1486

积分

六级士官

积分
1486
发表于 2025-11-22 11:13:52 | 显示全部楼层
看看,谢谢分享

5

主题

77

回帖

397

积分

二级士官

积分
397
发表于 2025-11-22 11:39:06 来自手机 | 显示全部楼层
大佬这个一比一复刻做出来 能用不

6

主题

389

回帖

1732

积分

六级士官

积分
1732
发表于 2025-11-22 12:21:27 | 显示全部楼层
看看,学习一下

8

主题

664

回帖

2753

积分

少尉

积分
2753
发表于 2025-11-22 14:15:17 | 显示全部楼层
路过学习一下

6

主题

1010

回帖

2713

积分

少尉

积分
2713
发表于 2025-11-22 15:04:59 | 显示全部楼层
大佬6666666666

5

主题

732

回帖

1683

积分

六级士官

积分
1683
发表于 2025-11-22 15:33:27 来自手机 | 显示全部楼层
谢谢分享

3

主题

300

回帖

733

积分

四级士官

积分
733
发表于 2025-11-22 18:25:48 | 显示全部楼层
谢谢分享666

0

主题

12

回帖

40

积分

列兵

积分
40
发表于 2026-1-10 09:35:09 | 显示全部楼层
谢谢大佬
您需要登录后才可以回帖 登录 | 立即注册

本版积分规则

咨询QQ:1359218528|发帖须知!|Archiver|手机版|小黑屋|UG爱好者论坛 ( 京ICP备10217105号-2 )

GMT+8, 2026-3-2 14:56

Powered by Discuz! X3.5 Licensed

© 2001-2025 Discuz! Team.

快速回复 返回顶部 返回列表