找回密码
 立即注册

QQ登录

只需一步,快速开始

微信扫码登录

搜索
查看: 666|回复: 9

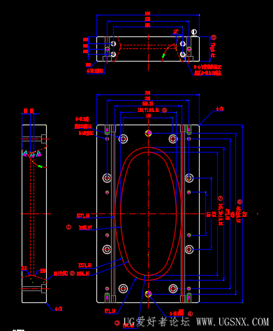
[求助] 这种腔体怎么建模 求详细的步骤

[复制链接]

2

主题

14

回帖

97

积分

上等兵

积分
97
发表于 2026-1-20 13:55:16 | 显示全部楼层 |阅读模式
角度不是规则的  求详细步骤


椭圆凹模.zip (135.45 KB, 下载次数: 11)

图片5.png

图片4.png

图片3.png

23

主题

404

回帖

3490

积分

中尉

积分
3490
发表于 2026-1-20 14:43:49 | 显示全部楼层
做个截面出出来在修剪体!

42

主题

1742

回帖

5914

积分

上尉

积分
5914
发表于 2026-1-20 15:45:17 | 显示全部楼层
用艺术曲面做

6

主题

16

回帖

132

积分

上等兵

积分
132
发表于 2026-1-21 00:54:37 | 显示全部楼层
可以使用扫掠建一个像这样的片体,使用修剪体去修剪实体

6

主题

16

回帖

132

积分

上等兵

积分
132
发表于 2026-1-21 00:58:14 | 显示全部楼层
做个辅助线,然后要么用扫掠要么通过曲线网格,把面做出来,用修剪体或者拆分体删除不要的面

11

主题

669

回帖

4034

积分

中尉

积分
4034
发表于 2026-1-21 22:12:32 | 显示全部楼层
学习一下

2

主题

14

回帖

97

积分

上等兵

积分
97
 楼主| 发表于 2026-1-24 08:35:46 | 显示全部楼层
6816 发表于 2026-1-20 14:43
做个截面出出来在修剪体!

具体步骤啊  主要是做不出来截面

2

主题

14

回帖

97

积分

上等兵

积分
97
 楼主| 发表于 2026-1-24 08:38:08 | 显示全部楼层
Hejhug 发表于 2026-1-21 00:54
可以使用扫掠建一个像这样的片体,使用修剪体去修剪实体

扫掠的具体步骤  怎么搞

2

主题

14

回帖

97

积分

上等兵

积分
97
 楼主| 发表于 2026-1-24 08:40:06 | 显示全部楼层
Hejhug 发表于 2026-1-21 00:58
做个辅助线,然后要么用扫掠要么通过曲线网格,把面做出来,用修剪体或者拆分体删除不要的面 ...

要详细的步骤啊  辅助线怎么做

10

主题

474

回帖

2689

积分

少尉

积分
2689
发表于 2026-1-26 17:18:47 | 显示全部楼层
本帖最后由 天文* 于 2026-1-26 17:20 编辑

现成的CAD图档,线都不需要做,直接把线移到中间主视图,几条线一选就是标准的网格曲面,然后修剪体,思路就是这样,五分钟都不要。
您需要登录后才可以回帖 登录 | 立即注册

本版积分规则

咨询QQ:1359218528|发帖须知!|Archiver|手机版|小黑屋|UG爱好者论坛 ( 京ICP备10217105号-2 )

GMT+8, 2026-5-10 04:42

Powered by Discuz! X3.5 Licensed

© 2001-2025 Discuz! Team.

快速回复 返回顶部 返回列表