找回密码
 立即注册

QQ登录

只需一步,快速开始

微信扫码登录

搜索
查看: 1436|回复: 1

[图文教程] AUTOCAD——添加自定义填充图案

[复制链接]

299

主题

20

回帖

3986

积分

中尉

积分
3986

活跃会员

发表于 2022-1-13 09:52:42 | 显示全部楼层 |阅读模式
在原有的填充图案列表中,添加自定义的填充图案。
执行方式
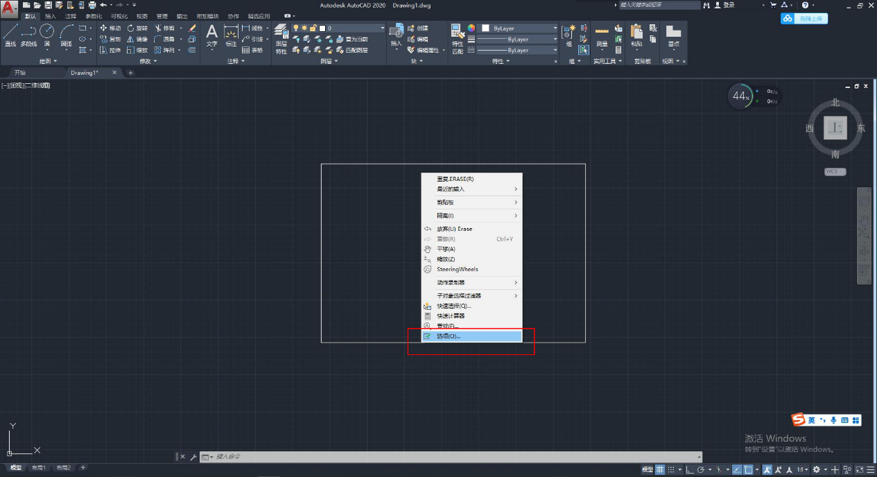
进入AutoCAD界面,点击鼠标右键,选择“选项”:


进入“选项”面板,选择“添加”。


选择“浏览”,选择填充图案文件所在的文件夹位置。


弹出“浏览文件夹”界面,选择文件夹后,点击确定。


点击确定后,则填充图案添加成功。


输入“H”填充命令,再按空格键,出现提示“拾取内部点”,鼠标左键点击画好的矩形内部。


点开填充图案列表,可以看到我们刚添加的填充图案,点击图案应用到矩形中去。


选择合适的填充比例,填充完成。


1

主题

333

回帖

3369

积分

中尉

积分
3369
发表于 2022-1-13 21:05:50 | 显示全部楼层
好好学习
您需要登录后才可以回帖 登录 | 立即注册

本版积分规则

咨询QQ:1359218528|发帖须知!|Archiver|手机版|小黑屋|UG爱好者论坛 ( 京ICP备10217105号-2 )

GMT+8, 2025-12-22 15:00

Powered by Discuz! X3.5 Licensed

© 2001-2025 Discuz! Team.

快速回复 返回顶部 返回列表