找回密码
 立即注册

QQ登录

只需一步,快速开始

微信扫码登录

搜索
查看: 229|回复: 5

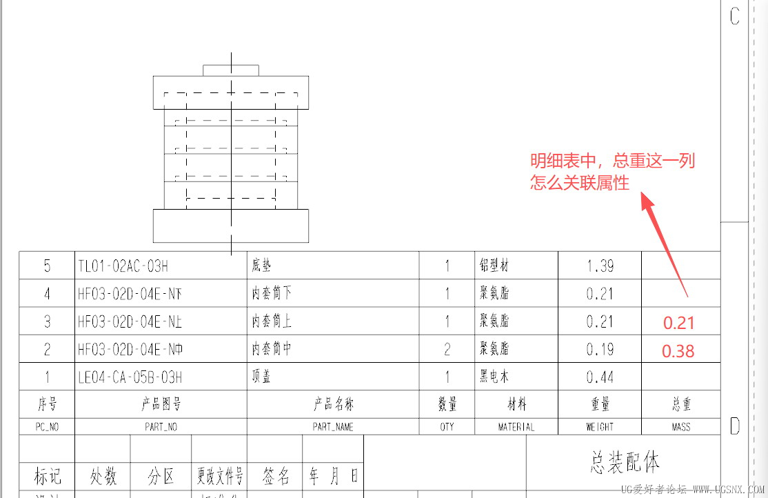
[已解决] 请教:明细表中,"总重"这一列怎么关联属性

[复制链接]

51

主题

266

回帖

8816

积分

少校

积分
8816
发表于 2026-1-23 15:41:37 | 显示全部楼层 |阅读模式
明细表中,总重这一列,怎么关联属性


总重怎么关联属性.jpg

11

主题

46

回帖

967

积分

五级士官

积分
967
发表于 2026-1-24 09:08:16 | 显示全部楼层
那个-96.83是sqrt(10)-100,总重要选数量然后输入那个文本,之前唐工发过一个文件专门讲质量和总重的,质量的百分比是-99.9,我不会上传文件截个图给你参考
2d8e6cae-f6b1-47ec-bd63-a67ffaadad5b.png
e94fd1af-e342-4f83-8ff7-318da5f569d0.png

51

主题

266

回帖

8816

积分

少校

积分
8816
 楼主| 发表于 2026-1-24 21:14:10 | 显示全部楼层
好,遇到大神了,感谢。我研究研究。

51

主题

266

回帖

8816

积分

少校

积分
8816
 楼主| 发表于 2026-1-24 22:03:15 | 显示全部楼层
复制进去这个
sqrt(1000)-100          对应千克
   sqrt(10)-100          对应克
1.jpg
2.jpg
3.jpg
4.jpg
5.jpg

51

主题

266

回帖

8816

积分

少校

积分
8816
 楼主| 发表于 2026-1-24 22:13:24 | 显示全部楼层
再次感谢”何故“老师的指教

35

主题

1031

回帖

1万

积分

上校

积分
13861
发表于 2026-1-26 10:43:57 | 显示全部楼层
gonghb 发表于 2026-1-24 22:03
复制进去这个
sqrt(1000)-100          对应千克
   sqrt(10)-100          对应克

曾经一度无法理解这个增量到底是怎么计算的,西门子帮助里的解释很简单:
增量类型,当在设置对话框中选中了根据公式评估单元值  复选框时可用。
用于选择增加单元格值的方法:
小数,以增量框中设置的值为增量增大单元格的值。仅当单元格文本包含的字符串可以解析为值时,此选项才适用。
百分比,将增量框中设置的值解释为百分比,并以该百分比为增量增大单元格的值。

问deepseek后,增量类型为百分比时,内部应该是这样计算的:
新值 = 原值 × [ (100 + 增量栏值) / 100 ]²
您需要登录后才可以回帖 登录 | 立即注册

本版积分规则

咨询QQ:1359218528|发帖须知!|Archiver|手机版|小黑屋|UG爱好者论坛 ( 京ICP备10217105号-2 )

GMT+8, 2026-4-25 06:59

Powered by Discuz! X3.5 Licensed

© 2001-2025 Discuz! Team.

快速回复 返回顶部 返回列表