找回密码
 立即注册

QQ登录

只需一步,快速开始

微信扫码登录

搜索
查看: 2136|回复: 0

[求助] UG10工程图每次打开都无法显示实体

[复制链接]

3

主题

78

回帖

1245

积分

六级士官

积分
1245
发表于 2018-10-26 12:18:56 | 显示全部楼层 |阅读模式
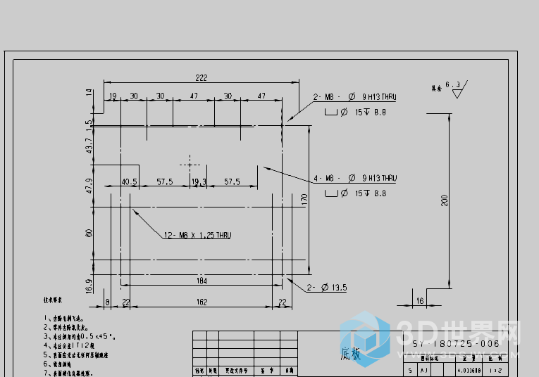
工程图每次打开实体都是隐藏的状态,非要CTRL+B显示出来,但保存后再打开又是这样的,导出的工程图也是没有实体,只有标注,图框。

没有实体

没有实体

您需要登录后才可以回帖 登录 | 立即注册

本版积分规则

咨询QQ:1359218528|发帖须知!|Archiver|手机版|小黑屋|UG爱好者论坛 ( 京ICP备10217105号-2 )

GMT+8, 2025-12-19 14:29

Powered by Discuz! X3.5 Licensed

© 2001-2025 Discuz! Team.

快速回复 返回顶部 返回列表