找回密码
 立即注册

QQ登录

只需一步,快速开始

微信扫码登录

搜索
查看: 9708|回复: 9

[求助] 关于UG车铣复合双主轴坐标系设置

[复制链接]

1

主题

112

回帖

774

积分

四级士官

积分
774

灌水王

发表于 2020-2-12 14:53:49 | 显示全部楼层 |阅读模式
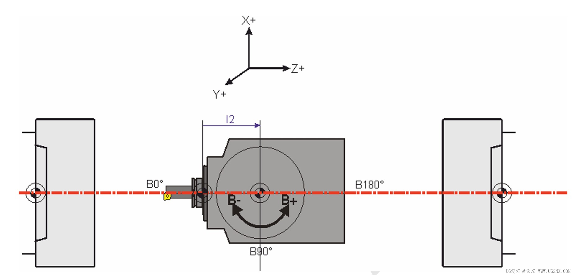
大家好,有4个关于UG车铣复合的问题:1、机床副主轴的坐标系是否需要和第一主轴的加工坐标系保持一致(零件调头加工的时候的编程坐标系和原来加工相比!)
1.png

2、如何让副主轴自动夹取左边主轴的零件,进行反向加工?

UG编程里面如何实现?还是必须机床上面增加命令去实现?
3、UG车铣后处理的时候,是必须要车和铣两个后处理吗?
4、UG多轴加工的时候,MILL的操作是直接可以放在车的坐标系下面,还是必须另外再建一个MILL的坐标系,那个MILL的坐标系和车的坐标系又需要保持啥关系,设置起来是否有啥需要注意的地方?就是车铣的坐标系必须分开,还是可以只设置一个车的坐标系?


以上问题,是否能有从事过车铣的朋友帮忙解答下。非常感谢!




4

主题

321

回帖

4480

积分

中尉

积分
4480
发表于 2020-2-12 21:44:28 | 显示全部楼层
坐标系看刀架你这是副轴和主轴共用一个Z轴肯定是一致了

1

主题

112

回帖

774

积分

四级士官

积分
774

灌水王

 楼主| 发表于 2020-2-13 09:32:07 | 显示全部楼层
相随* 发表于 2020-2-12 21:44
坐标系看刀架你这是副轴和主轴共用一个Z轴肯定是一致了

哦,确定坐标系是一致的吗?是左右2个主轴,UG自带的案例里面是一致的,然后看到其他有一个论文上面写的是相反的,所以有点拿不定主意了,

1

主题

112

回帖

774

积分

四级士官

积分
774

灌水王

 楼主| 发表于 2020-2-13 09:32:49 | 显示全部楼层
Mike* 发表于 2020-2-13 09:32
哦,确定坐标系是一致的吗?是左右2个主轴,UG自带的案例里面是一致的,然后看到其他有一个论文上面写的 ...

还有如何让副主轴自动去夹取左边主轴的工件呢?是UG里面编程吗?

1

主题

112

回帖

774

积分

四级士官

积分
774

灌水王

 楼主| 发表于 2020-2-14 15:07:25 | 显示全部楼层
还有其他版主能回复下吗?这个问题是不是比较深奥!

5

主题

442

回帖

3734

积分

中尉

积分
3734
发表于 2020-2-14 16:32:06 | 显示全部楼层
问题1:要看机床方向  编程要和机床一致就行  有些机床方向可以设置
2.编程后处理可以装夹工件
3.不用
4.车铣坐标铣要分开
以上我个人理解,正在使用的方式,不知道有没有更好的。
QQ342375517  有兴趣的可以共同学习

1

主题

8

回帖

332

积分

二级士官

积分
332
发表于 2020-3-15 17:49:57 | 显示全部楼层
我开了8年车铣复合,DMGbate1250TC双主轴双通道,你问的我知道,可以沟通一下,但是需要技术交换,把你的机床模型发我一个,有需要就加,没需要就别加了
微信13919039470

0

主题

1

回帖

18

积分

列兵

积分
18
发表于 2021-8-27 22:20:39 | 显示全部楼层
你好 有联系方式吗?

8

主题

1004

回帖

6722

积分

上尉

积分
6722
发表于 2021-8-28 10:33:20 | 显示全部楼层
Mike* 发表于 2020-2-13 09:32
还有如何让副主轴自动去夹取左边主轴的工件呢?是UG里面编程吗?

这个说不清楚,要看实际机床

0

主题

360

回帖

3924

积分

中尉

积分
3924
发表于 2025-9-20 10:45:07 | 显示全部楼层
本帖最后由 GHYLL 于 2025-9-20 11:02 编辑

1.一般是一致的,得看具体机床‘
2.参看图片;
3.可以用车铣复合后处理,把车和铣后处理链接起来;
4.一般车铣分开坐标系分开,方便编程。
屏幕截图 2025-09-20 110045.jpg 屏幕截图 2025-09-20 105437.jpg

您需要登录后才可以回帖 登录 | 立即注册

本版积分规则

咨询QQ:1359218528|发帖须知!|Archiver|手机版|小黑屋|UG爱好者论坛 ( 京ICP备10217105号-2 )

GMT+8, 2026-5-10 11:42

Powered by Discuz! X3.5 Licensed

© 2001-2025 Discuz! Team.

快速回复 返回顶部 返回列表