找回密码
 立即注册

QQ登录

只需一步,快速开始

微信扫码登录

搜索
查看: 1621|回复: 26

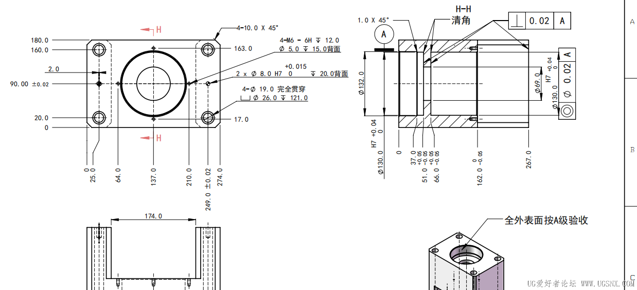
[求助] 这个200多深的孔怎么加工有没有大神指导下

[复制链接]

11

主题

1153

回帖

1万

积分

中校

积分
12101
发表于 2025-8-20 19:58:33 | 显示全部楼层 |阅读模式
1.png

002.zip (26.51 KB, 下载次数: 9)
第一做这么深的没有经验有没有大神出点建议

2

主题

106

回帖

1万

积分

中校

积分
12300
发表于 2025-8-21 08:22:35 | 显示全部楼层
难度是左边130的直径,深度14的台阶孔是基准孔,要求右边130的孔的同心度不超过2丝,你最好问问画图纸的人,为哈要这样要求?能不能以右边的孔作为基准来加工左边的?右边的孔没有台阶,面积大,作为基准较理想,可以铣一个凸台,把加工好的孔套在这个凸台来加工另一边的孔,配合的精度要高,能保证2丝的同心度。

9

主题

1637

回帖

8991

积分

少校

积分
8991
发表于 2025-8-20 20:19:22 | 显示全部楼层
本帖最后由 黄帝啊 于 2025-8-20 20:21 编辑

一键外发省心.......不然买好点的刀具刀杆慢慢锣

10

主题

115

回帖

1078

积分

六级士官

积分
1078
发表于 2025-8-20 21:29:08 | 显示全部楼层
沉头两把钻头解决,精孔上镗刀

7

主题

96

回帖

3509

积分

中尉

积分
3509
发表于 2025-8-20 21:37:26 | 显示全部楼层
感觉可以上数车

0

主题

76

回帖

2577

积分

少尉

积分
2577
发表于 2025-8-20 21:57:28 | 显示全部楼层
这个应该上车床加工了

6

主题

87

回帖

846

积分

四级士官

积分
846
发表于 2025-8-20 22:07:31 | 显示全部楼层
看不到材料和热处理,看不到表面粗糙度要求,孔深长比也不大,不好判断加工难在哪

62

主题

2038

回帖

8691

积分

少校

积分
8691
发表于 2025-8-21 00:46:32 | 显示全部楼层
车床加工!

3

主题

540

回帖

7477

积分

爱好者终身VIP

积分
7477

VIP会员

发表于 2025-8-21 07:43:46 | 显示全部楼层
老板:这不是有手就能干的吗?

0

主题

77

回帖

412

积分

二级士官

积分
412
发表于 2025-8-21 08:34:03 | 显示全部楼层
可以上数车
您需要登录后才可以回帖 登录 | 立即注册

本版积分规则

咨询QQ:1359218528|发帖须知!|Archiver|手机版|小黑屋|UG爱好者论坛 ( 京ICP备10217105号-2 )

GMT+8, 2026-5-10 11:41

Powered by Discuz! X3.5 Licensed

© 2001-2025 Discuz! Team.

快速回复 返回顶部 返回列表